ZP06 Vehicle-Mounted Fuel Gas Leakage Detection Module
- • Gas: Fuel gas, combustible gas
- • Senor: Flat surfaced semiconductor sensor
- • Application: vehicle to detect methane leakage
We're here to help: Easy ways to get the answers you need.
Tips:For more parameter information, please refer to the latest manual provided by salesman.
| Detection Gas | Natural Gas |
| Detection range | 1~ 25%LEL |
| Sensor Type | Flat surfaced semiconductor |
| Response Time | < 30s |
| Resume Time | < 30s |
| Working Voltage | DC 9~32V |
| Working Current | < 80mA |
| Output | 1 Signal output S |
| Accuracy | At normal temp. ±3%LEL |
| Expected Life | >2 years |
| Working Environment | Temp. :-40~85℃ |
| Humidity :20%~90%RH | |
| Storage Environment | Temp. :-20~105℃ |
| Humidity:20%~90%RH | |
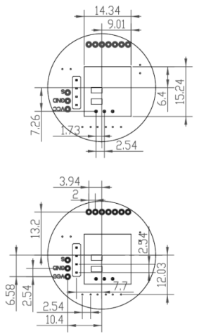
| Size | Diameter33mm*17.5mm |

Please fill in your procurement needs and contact information